О товаре:
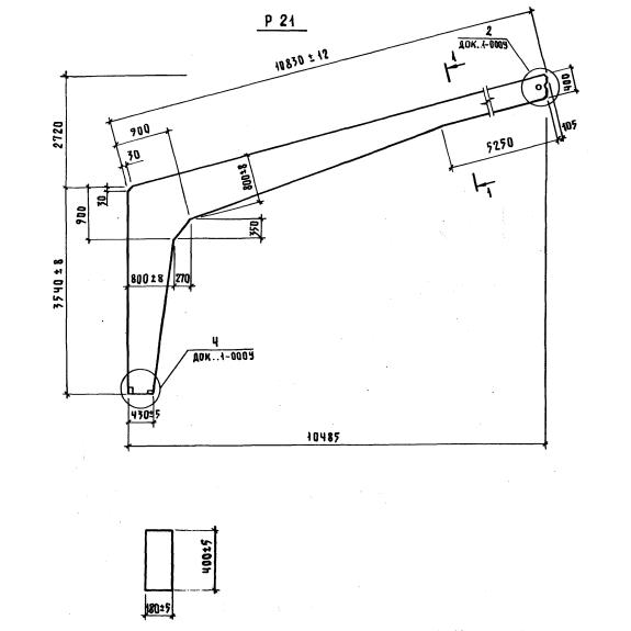
- Длинна: 10485 мм.
- Ширина: 3540 мм.
- Высота: 180 мм.
- Вес: 3360 кг.
- ГОСТ, Серия: Серия 1.822.1-5 скачать
- Объем бетона: 1,344 м3
- Геометрический объем: 6,681 м3
Стандарт изготовления изделия: Серия 1.822.1-5
Полурамы 1РС 21-2 представляют собой строительные элементы с прямоугольным поперечным сечением. Конструкции имеют своеобразный внешний вид, они напоминают букву «Г». Изделия используются при строительстве однопролетных зданий сельского хозяйства с уклоном асбестоцементной кровли 1 к 4. Предназначены для применения в I-IV географических районах, с сейсмичностью не более 6 баллов, без агрессивной среды. Полурамы производятся из качественного материала, к которому предъявляются жесткие требования. Элементы составляют очень прочный каркас для зданий, они надежны и долговечны, поэтому и пользуются таким огромным спросом.
Расшифровка маркировки
Любое железобетонное изделие имеет свою маркировку. Благодаря маркировочному обозначению, которое наносятся на элемент на боковую его часть, можно быстро и с легкостью найти нужное изделие на складе. На основании Серии 1.822.1-5 маркировочные знаки для 1РС 21-2 расшифровываются следующим образом:
1. 1 - тип полурамы (1РС-с высотой 3,6м; 2РС-4,8м; 3РС- 6,0 м)
2. РС - тип элемента - полурама составная;
3. 21 - пролет, указывается в метрах;
4. 2 - несущая способность.
Дополнительно в маркировочном обозначении также могут быть дополнительные буквенные индексы «а», «б», «в»- конструктивные особенности, наличие закладных деталей. Обязательно на одной из торцевых сторон изделия должна быть прописана информация касательно массы, марки, а также даты изготовления, логотип предприятия и штамп ОТК. Краска для нанесения применяется черная, влагоустойчивая. Изменять маркировку нельзя.
Основные характеристики и изготовление
Изготовление полурам 1РС 21-2 осуществляется на заводах железобетонных изделий или в условиях оборудованных полигонов, согласно требованиям ГОСТ 13015-75. Элементы изготавливаются в стальных кассетах или горизонтальных формах по ГОСТ 25781-83. Применяется бетон марки М350. Марка бетона по морозостойкости контролируется обычно не реже одного раза в шесть месяцев. Для изготовления каркасов запроектирована стержневая арматурная сталь класса AIII по ГОСТ 5781-82. Все арматурные элементы скрепляются путем контактной точечной сварки. Для закладных изделий используются разные марки стали, в зависимости от температуры, до минус 30 градусов по Цельсию-марка ВСт3 СП2, до минус 40- ВСт3 ПС6, а до минус 50 градусов по Цельсию-ВСт3 СП5. Антикоррозионная защита осуществляется по требованиям СНиП 2.03.11-85-28. Не допускается обнажение арматуры. Железобетонные элементы принимаются отделом технического контроля предприятия-изготовителя. Приемка готовой продукции осуществляется, как правило, партиями и все изделия должны быть изготовлены по одной технологии, из одного и того же материала. Точность изготовления конструкций, а так же внешний вид должны строго соответствовать нормам ГОСТ 130-15-75 и проектным чертежам, указанных в Серии 1.822.1-5.
Хранение и транспортировка
Хранить и транспортировать полурамы 1РС 21-2 необходимо в соответствии со всеми требованиями ГОСТ 13015.4-84. Укладывают изделия на специальные стеллажи в вертикальном положении с использованием деревянных подкладок между ними. Перевозить элементы нужно на специально оснащенном транспорте, хорошо закрепив конструкции. Необходимо соблюдать осторожность и технику безопасности. Подъездной путь должен быть хорошо оборудован. Запрещается разгружать полурамы со свободным их падением и перемещать волоком.

