О товаре:
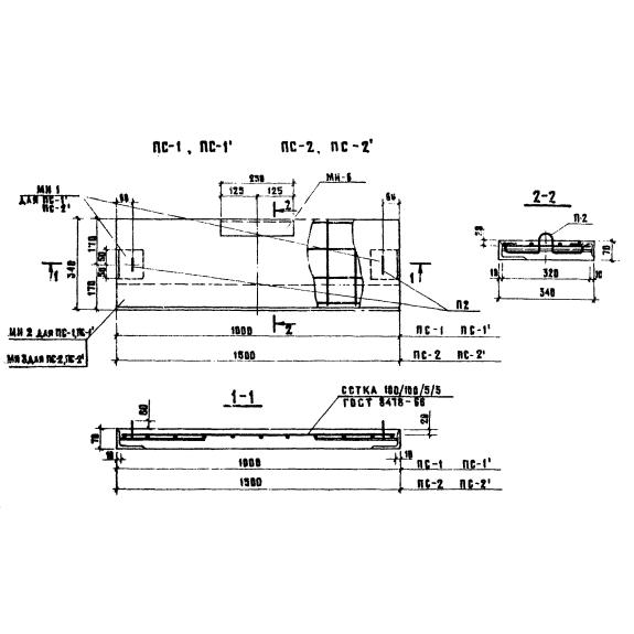
- Длинна: 1000 мм.
- Ширина: 340 мм.
- Высота: 70 мм.
- Вес: 60 кг.
- ГОСТ, Серия: ТПР 503-0-17 скачать
- Объем бетона: 0,024 м3
- Геометрический объем: 0,0238 м3
Стандарт изготовления изделия: ТПР 503-0-17
Лестничная ступень ПС 1* - это железобетонное изделие, с внутренним стальным основанием, конструктивно выглядит как четырехугольник. Является элементом лестничных сходов, в которых используется совместно с косоуром, монолитным сооружением. Такая конструкция используется при обустройстве автомобильных дорог, автопешеходных мостов, путепроводов, мостов с насыпями и прочих сооружениях разнообразного вспомогательного назначения. Лестничная ступень запроектирована по Типовому проектному решению 503-0-17 и предназначена для применения на строительных площадках в районах с сейсмичностью до 6 баллов.
Расшифровка маркировки изделия
Все элементы железобетонных лестничных сходов, в том числе и ступени, имеют индивидуальную маркировку. Содержательность и сжатость - основные предъявляемые требования к таким маркировочным шифрам, гарантирующие удобство при работе с технической документацией и сортировке продукции. Марка лестничной ступени ПС 1* состоит из буквенно-цифрового индекса, каждая группа которого обозначает следующее:
1. ПС - лестничная ступень;
2. 1 - типоразмер;
3. * - различие по закладным деталям.
Маркировка изделия указывается на торцевой поверхности готовой ступени. Также могут прописываться другие необходимые сведенья, такие как: дата выпуска, вес, штамп технического контроля с указанием контролера. При этом здесь используется специальная краска, стойкая к воде, ультрафиолету, химическим и другим аналогичным воздействиям.
Материалы и производство
Железобетонные лестничные ступени ПС 1* изготавливают в заводских условиях, при этом производители обязаны руководствоваться пометками, чертежами и спецификацией из ТПР 503-0-17.При производстве изделия используется бетонный раствор марки М200. Согласно определенному регламенту состав такой смеси следующий (в кг/м3): цемент - 265, песок - 860, щебень - 1050, вода - 180, пластификатор - 4,8.Благодаря таким составляющим достигается необходимая плотность бетона. Марка бетонной смеси по морозостойкости назначается в зависимости от средней температуры наиболее холодной пятидневки:
а. Ниже -40 градусов по Цельсию - F150;
б. От -20 до -40 включительно - F75;
в. Ниже -5 до -20 включительно - F50.
г. Выше -5 - морозостойкость не нормируется.
Для придания большей прочности изделию, ПС 1* армируют с помощью обыкновенной арматурной гладкой проволоки класса В-I. Из нее изготавливаются прочные сетки, которые составляют внутренний «скелет» изделия. В виде дополнительных конструктивных особенностей используются разнообразные закладные элементы из арматурной стали классов А-I и А-III. Дополнительно, процесс производства предусматривает наличие в конструкции специальных монтажных петель, посредством которых выполняется легкая установка лестничных ступеней на необходимые крепления. Закладные детали и петли привариваются к арматурным сеткам.
По итогу производства изделие ПС 1* в обязательном порядке проходит технический контроль, который подтверждает его качество.
Хранение и транспортировка
Сохранность железобетонных лестничных ступеней обеспечивается корректной погрузкой и хранением. Складируют изделия в специально подготовленном помещении с выровненным плотным основанием и уклоном для отведения влаги. ПС 1* укладываются в штабели, нижний ряд располагается на деревянных прокладках. Важным условием здесь является доступная к прочтению маркировка. Перевозят ступени автомобильным, железнодорожным и речным видами транспорта, с учетом правил установленных на данных ТС.

